Rebuilding the K40 - flat cable needed

My local makers group (Hobart Makers) has a K40 that we are about to perform some long overdue maintenance on - plus a few upgrades.
It runs a Protoneer Rpi-CNC on a Raspberry Pi 3B+ running Laserweb3. An upgrade to laserweb4 was planned 12 months ago but there were unresolved issues with it working correctly via browser interface (since fixed I believe)
To get the Protoneer board to work with the opto end switched, a circuit was designed to add some buffering/inverters. This works well but was done using a perfboard as a ā€˜temporary’ measure - 4 years ago!. A proper PCB has been designed to interface the flat cable to the Rpi-CNC board, power supply etc. The temporary fix ended up with the ribbon cable being soldered and it needs replacing. No one seems to have a source for this cable but I have found an Aliexpress store that will make a few to the correct length.

My question (finally!) is ā€œHow long is this cable?ā€

Other upgrades will be to add interlocks, a 24V power supply with 5V for the Pi, relocating the mains power switch to the side of the cabinet and inprovements to water cooling and air asist. Both of these last two items are working but are noisy!

Regards
Geoff

Your right I have never been able to source this cable.
I think it is 24" but I will have to pull mine out to check.
Is there no way to measure the one in your machine?

The machine is at my local makers about 60km away and I won’t be back there until Tuesday but I guess it can wait.
I have been communicating with an Aliexpress store that carry the correct cable but in shorter lengths but they seem willing to make up longer ones but I need to tell them how long. They can also supply a PCB to go from the FFC cable to standard headers which would be handy as the interface board that the maker group has created to sort out the opto end stop issues does not have an FFC connector.

Go figure… the length is on my blog: 46". Wow did not remember it being that long… Looking at the picture I guess so!

These are three parts that we have not found sources for. It would be awesome if we found some source for these.

  • X & Y Endstop daughter cards
  • 46" 1.25mm 12 positions flat cable
  • 8" 1.25mm 6 positions flat cable

It also would be nice to have a PCB for adding interlocks to a machine. I have a design that is on vector board but never had the motivation to create a PCB as mine works fine. Don's Laser Things: Search results for interlocks


section from my blog

FFC Cables

1x 12 position FFC. 1.25mm ribbon 46" long

1x 6 positions FFC 1.25mm ribbon 8" long

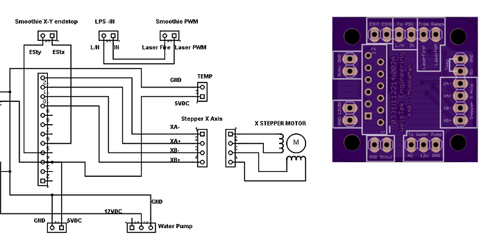
Do you know about the middleman board? https://oshpark.com/shared_projects/3W1BpcNl


See these posts:

2 Likes

I found it interesting you can find the connector all day but not the cable.

1 Like

Don, thanks for the measurement 1200mm! I’ve asked the supplier but not sure if I’ll get an answer before Monday.
I did read about the middleman board on your blog but found out that one of the makerspace members had designed a board to connect the gantry PCB (via the FFC) to the stepper driver and Protoneer RPI board that piggbacks onto the Raspberry Pi and runs grbl. Genuine Protoneer Raspberry Pi CNC hat v2.60 - GRBL v1.1 Compatible | eBay.
As i mentioned, the PCB also contains a hex inverter to correct the levels from the opto interrupters. There’s a couple of leds to display end stop status. The FFC cable we have, has been soldered to hence my search for a replacement. Ths short wires on the FFC are connected to screw termnials on the PCB. I’ve spoken to the desginer and askd for a version that the FFC can conect directly to, awaiting an answer. I should check if the board is open source as it could be useful for other.

1 Like

Probably not many products need a 46" flat cable and it should never fail. Although I have seen a few bad ones

2 Likes

Lots of the right sort of cable sold on Aliexpress but maximum length is around 200mm. Not a lot of use for our application. :smile:

3 Likes

Don, One thing I can’t tell from your photo of the FFC is whether it’s a reversed (type 2 or D) i.e contacts on opposite sides of the cable at each end.

6 pin, 1.25 pitch FFC seem to be readily available for about $A6.

Good News!
Just got a reply back from vendor and they can supply the required cable in quantities of 10 for $2.50/ea + shipping ($8 in my case to Oz). Still waiting for a quote on qty 100 but I don’t imagine it will be any cheaper per cable.

I’m willing to be a guinea pig and order some to try out. I don’t think there will be any advantage in a bulk order, it will be better for people to order directly (assuming they are OK) Just need a confirmation that it is a b-type cable (i.e. reversed connections.

2 Likes

That is great. Will they put it up as a standard item then?

I would be willing to stock it on my website for others if I had the contact info.

3 Likes

I shall ask them tomorrow (Monday).
They already list a TYpe 1 - same side connection, in both 1100mm and 1200 mm sizes.

Can someone confirm that the cable is the crossover Type B so I can placer an order?

Here’s the vendor link for a one off cable. Hope the specification is OK. Description says 80-600mm but you can select 1200mm.

1 Like

Judging by the number of internet posts I’ve found complaining about FFC cable issues and an inability to find one, it should be a winner!

1 Like

Can someone confirm whether the FFC cable is type A or type B (crossover)?
I’ve placed an order for the type B but can change this IF I can let them know soon.
I won’t have access to a K40 until Tuesday.
URGENT

While I don’t have a K40 to check, can you show pictures (maybe screen grabs from the seller) to show the difference, so that someone with a K40 can confidently understand and answer?

Stock k40 with m2 board here. Connections at both ends are on the top of the cable.

[Edit: Nevermind, ignore this part, it’s not true]
But with the cable making a left turn as soon as it comes off the board you could just as easily roll it the other direction and use either cable type.

2 Likes

If you turn the cable around you will swap all the signals end-for-end. Probably won’t work as well that way. :wink:

1 Like

These have been ordered and will be stocked at https://beambuddy.xyz as soon as they come in (10-30days.)

1 Like

If the connections are on the same side of the cable, it’s a type A and if the connections are on opposite sides of the cable, it’s a type B. Sorry if I didn’t make this clear. I don’t know which is the correct one for the X40 as I can’t examine it.

This link is for type A

This Link is for Type B

1 Like